Inhalt
Ausgangssituation
AUDI A6 4F Baujahr 2008 mit CD-Wechsler im Handschuhfach.
Ziel: Nachrüstung eines MP3-fähigen 6-fach CD-Wechslers für das Handschuhfach
Erforderliche Teile
1 Original Audi CD-Wechsler mit der Teilenummer (z.B. 4E0 035 110 A)
1 Kabelsatz (z.B. Kufatec Artikel Nr. 33900)
Vorarbeiten
Ausbau des Handschuhfachs und Schaffen einer Öffnung zur Aufnahme des CD-Wechslers (siehe www.scoty.de )
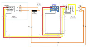
Der CD-Wechsler hat Anschlüsse für Lichtwellenleiter (LWL) und eine 8-poligen Buchse für die Spannungsversorgung.
Der vorhandene CD-Wechsler ebenso.
Die LWL-Anschlüsse haben einen IN- und einen OUT-Kanal. Sie sind in einer Buchse zusammengefasst und liegen hier übereinander.
Im Ausgangszustand kommen vom MMI-System ein Kabelstrang mit 8-poligem Stecker und zwei LWL-Leitungen mit Doppelstecker. Beide
sind mit dem vorhandenen CD-Wechsler verbunden.
Sowohl der 8-polige Stecker als auch der LWL-Stecker sind zunächst vom CD-Wechsler zu trennen.
Der Kabelsatz enthält einen Kabelstrang mit zwei 8-poligen Steckern und einer 8-poligen Buchse. In die 8-polige Buchse wird der aus dem CD-Wechsler entfernte 8-polige Stecker gesteckt welcher vom MMI-System kommt. Von den beiden verbleibenden 8-poligen Steckern wird der eine in die Buchse des vorhandenen Wechslers und der andere in die des zusätzlichen Wechslers gesteckt. Die Stecker und Buchsen passen jeweils nur in einer Richtung zusammen. Es ist darauf zu achten, dass der Stecker, bei dem der PIN 4 belegt ist, in den zusätzlichen Wechsler gesteckt wird.
Des Weiteren enthält der Kabelsatz einen LWL-Verbinder und zwei LWL-Leiter die auf einer Seite bereits in einem LWL-Stecker zusammengefasst sind. Dieser LWL-Stecker wird in die LWL-Buchse des zusätzlichen CD-Wechslers gesteckt. Er passt nur in einer Richtung. Der obere LWL-Leiter ist der Eingang (IN) der untere ist der Ausgang (OUT). Zu erkennen ist dies an kleinen Pfeilen direkt auf den Steckern.
Bei dem anfänglich aus dem vorhandenen CD-Wechsler entfernten LWL-Stecker ist das ebenso. Aus diesem Stecker muss jetzt der OUT-Leiter entfernt werden. Dazu muss die blaue Verriegelung mit einem schmalen Schraubendreher herausgedrückt werden. An Stelle des entfernten OUT-Leiters kommt das obere freie Ende des LWL-Paars des bereits im zusätzlichen CD-Wechsler steckenden LWL-Steckers (also der IN-Kanal des zusätzlichen Wechslers). Ist dies geschehen und die Leiter sind mit dem blauen Riegel wieder gesichert, kann der LWL-Stecker in den vorhandenen CD-Wechsler gesteckt werden. Übrig ist jetzt noch der eben aus dem Stecker entfernte LWL-Leiter, dessen anderes Ende mit dem MMI-System verbunden ist und der OUT-Leiter vom LWL-Stecker des zusätzlichen Wechslers. Diese beiden freien Enden sind mit dem im Kabelsatz enthaltenen LWL-Verbinder zu verbinden. Der LWL-Weg ist nun wieder geschlossen.
Zum besseren Verständnis habe ich einen kleinen „Schaltplan“ zusammengestrickt.

Damit das ganze auch vom MMI-System erkannt wird, muss wohl noch codiert und gegebenenfalls der Komponentenschutz entfernt werden. Einen aktiven Komponentenschutz erkennt man daran, dass die Titel immer nur für Sekunden angespielt werden. Alle anderen Funktionalitäten des Wechslers sind vorhanden. Hierzu siehe wieder www.scoty.de

Neueste Kommentare